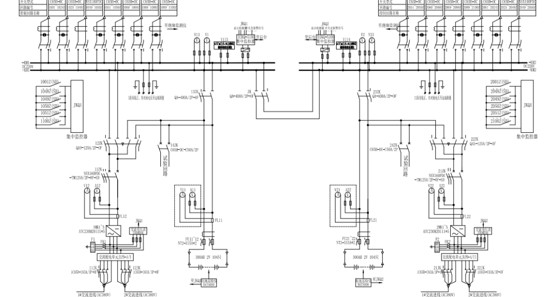
在220千伏變電站和緊張的110千伏變電站中, 站用直流屏系統一般接納兩電兩充(兩組蓄電池配兩套充電機)的建設。當對兩電兩充直流屏系統蓄電池組舉辦查對性充放電實驗或者舉辦大修時,往往需要將一套蓄電池組和充電機退出運行,由另一套蓄電池組和充電機帶全站負荷,待工作結束后再恢復,此過程稱為倒閘操作。
在直流屏系統倒閘操作過程中,操作人員除了嚴格按照倒閘操作票舉辦操作外,還應了解直流屏系統倒閘操作相關安全注意事變,并采取須要的安全措施,防止出現直流屏系統短路、失壓及人身觸電等事故。
倒閘前安全注意事變
1. 檢查兩套直流屏系統無報警信號。
若倒閘前其間一段直流母線存在接地故障。將兩段直流母線并排后,另一段正常直流母線也會接地,不利于直流屏系統正常運行。若倒閘前兩段直流母線均存在接地故障,將兩段直流母線并排后將發生兩點接地,可能導致維護誤動或許拒動,影響電網正常運行。因此,倒閘前必須承認兩套直流屏系統均無變態。

2. 查看兩組蓄電池組均在浮充電狀況。
若倒閘前一組蓄電池處于浮充電狀況,另一組處于均充電狀況。將兩段直流母線并列后,浮充電側充電機因為電壓低而閉鎖輸出,均充側充電時機瞬間接受兩段直流母線負荷以及兩組蓄電池的充電負荷,影響均充側充電機使用壽命。因此,倒閘前必須承認兩組蓄電池組均在浮充電狀況。

3. 查看兩套直流屏體系各自的兩路溝通輸入電壓正常,且溝通輸入切換設備能正常動作。
若溝通輸入切換設備無法正常切換,當退出蓄電池進程時,可能因站用溝通電源母線失壓而形成直流屏體系失壓。
4. 查看兩套直流屏體系直流母線壓差小于規定值,在本例中為2V。
若倒閘前將兩段直流母線壓差過大,將兩段直流母線并列后,電壓低側充電機由于電壓低而閉鎖輸出,電壓高側充電機和蓄電池會接受兩段直流母線負荷以及壓差過大帶來的瞬時沖擊電流,嚴峻時可能會形成充電機過流保護甚至損壞。
1#直流屏系統饋線屏電壓實測
2#直流屏體系饋線屏電壓實測
兩段直流屏母線轉并排運行安全注意事項
1. 操作直流屏體系聯絡開關時動作要快速、連貫。
若直流屏體系采納雙母聯開關接線方式,操作直流屏體系聯絡開關時動作要快速、連貫,削減直流母線脫離蓄電池組的時間。雙母聯開關包含“電池I-饋線I”(電池II-饋線II)、“斷開”、“饋線I-饋線II”(“饋線II-饋線I”)三個方位。操作人員需將母聯開關先由“電池I-饋線I”(電池II-饋線II)方位切換至“斷開”方位,再由“斷開”方位切換至“饋線I-饋線II”(“饋線II-饋線I”)方位。當母聯開關處于“斷開”方位時,該段直流母線脫離蓄電池組,僅由充電機供電,若此刻充電機毛病或許失掉交流電源,該段直流母線將失壓。
2. 兩段母線并列后,在合上的母聯開關把手上掛“禁止分閘!”標示牌,并在把手操作桿上加掛機械鎖。
在合上的母聯開關把手上采取“雙保險”:掛標示牌、加掛機械鎖,防止人員誤操作造成直流屏系統失壓。
3. 兩段母線并排后,若兩套直流屏體系絕緣監測設備均為平衡橋式,需將其中一個絕緣監測設備關機并撤除平衡電阻的接地線。撤除的接地線做好絕緣包扎處理。
平衡橋式絕緣監測設備并聯后會誤發直流接地故障信號。因而,有必要將其中一個絕緣監測設備關機并撤除平衡電阻的接地線。
四、退出充電機及蓄電池組安全注意事項
1. 將一套充電機退出運行后,需調查兩套充電機輸出電流表或用鉗形電流表丈量,承認該段直流母線負荷已悉數轉移至另一套直流屏體系。
退出充電機后承認該充電機無電流,且另一套充電機帶全站負荷,避免母聯開關沒合到位的情況下退出充電機及蓄電池組后造成直流屏體系失壓。
2. 取蓄電池組保險時,應戴絕緣手套,并站在絕緣墊上。
此措施是為了防止取蓄電池組保險時發生人身觸電事故。
3. 取下蓄電池組保險后,在蓄電池保險的底座正極上下兩端、負極上下兩端分別套上大小合適的絕緣盒,并在絕緣盒上分別掛“禁止合閘,有人工作!”標示牌。
在蓄電池保險的底座上套絕緣盒是為了防止發生蓄電池正負極短路、人身觸電事故。掛標示牌是防止誤操作造成人身觸電事故。
五、康復充電機及蓄電池組安全注意事項
1. 合上蓄電池組穩妥時,應戴絕緣手套,并站在絕緣墊上,防止產生人身觸電事端。
此措施是為了防止取蓄電池組穩妥時產生人身觸電事端。
2. 康復充電機后,通過調查兩套充電機輸出電流表并用鉗形電流表測量,確認兩套充電機均有輸出。
對于雙母聯開關直流屏體系,若有一套充電機無輸出,在切換母聯開關時將形成該套直流屏體系失壓。因此,康復充電機后有必要確認兩套充電機均有輸出。
六、將兩段直流母線轉排列運轉安全注意事項
1. 將兩段直流母線排列運轉時,要確認兩套直流屏體系充電機均有直流電壓輸出,操作直流屏體系聯絡開關時動作要快速、連接。
若直流屏體系采取雙母聯開關接線方式,操作直流屏體系聯絡開關時動作要快速、連接,減少直流母線脫離蓄電池組的時間,防止因充電機毛病或許失掉交流電源形成直丟失壓。
2. 兩段母線排列后,需將拆除的絕緣監測設備平衡電阻接地線康復,并將絕緣監測設備開機。
兩段母線排列后,康復絕緣設備以保證兩套直流屏體系均有絕緣監測設備的監視。
七、倒閘后安全注意事項
1.查看兩套直流屏體系康復正常運轉狀況。
2.查看1#、2#直流屏體系充電機輸出電壓、電流,饋線電壓、電流,蓄電池組電壓、電流。